Novi artikli
PROPORCIONALNI SKLOP ZA TRAKTORSKI NAKLDALNIK - ODPRT CENTER LVM92 EHP

Opis
LVM92-EHP je monoblok ventil za čelni nakladalnik, ki zagotavlja odlične proporcionalne delovne lastnosti ter enostavno vgradnjo pri pretoku do 90 lit/min in delovnem tlaku do 250 bar.
Ventil omogoča popolnoma elektro-proporcionalno krmiljenje, vključno s plavajočo funkcijo, ne glede na obremenitev stroja in delovne pogoje.
Komplet vključuje ventil, proporcionalno krmilno ročico (joystick) in električne kable.
Uporaba

Za pravilno delovanje sistema natančno sledite vsem korakom spodaj:
- Priključitev opravite, kot je prikazano zgoraj.
- Prepričajte se, da je hidravlični akumulator pravilno priključen.
- Preverite, da vhodni tlak ne presega 250 barov.
- Prepričajte se, da je nazivni vhodni pretok 90 lit/min.
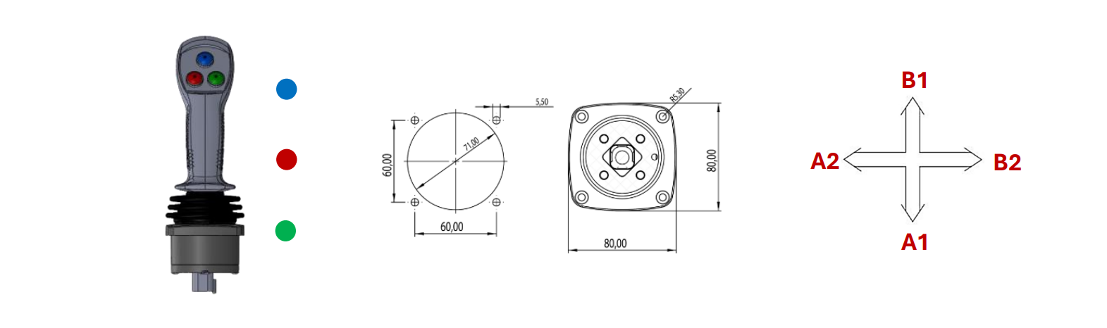
- Preverite, ali so na priključkih B1, A1, A2 in B2 pravilno priključeni priključki.
- Prepričajte se, da je odtočna oziroma drenažna cev pravilno priključena.
- Preverite, da sta cevi T (za rezervoar) in P (tlačna) priključeni in delujeta pravilno.

- Če imate v hidravlični liniji dva ventila, morate izhod prvega ventila (carry-over) povezati s tlačnim dovodom drugega ventila.
- Če uporabljate samo en ventil, povežite izhod ventila (carry-over) neposredno v rezervoar.


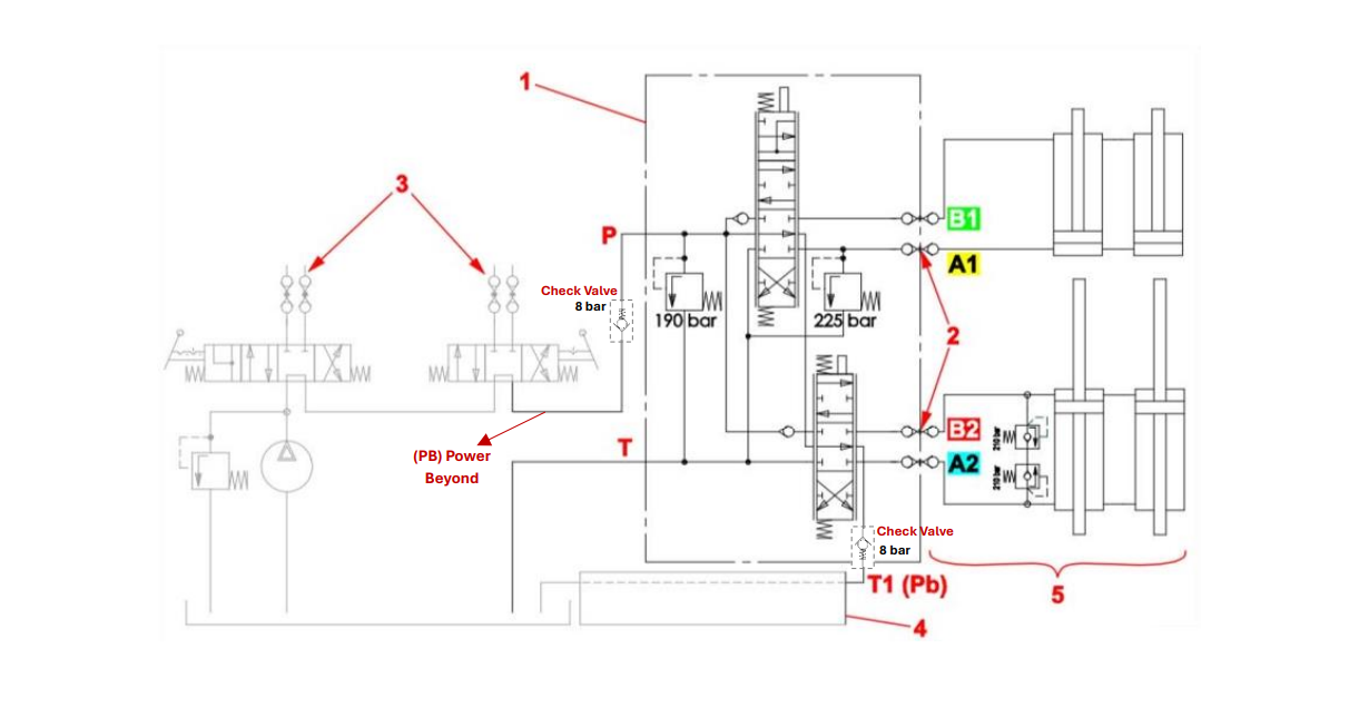
Shema prikazuje hidravlični sistem "OPEN CENTER":
1. Proporcionalni ventil (LVM92 EHP) na desni strani priključnega elementa.
2. Vmesnik za traktorski čelni nakladalnik
3. Hidravlični ventili, ki so že nameščeni na traktorju, je mogoče uporabljati za druge porabnike.
4. Drugi ventili oziroma pomožni ventili.
5. Traktorski čelni nakladalnik.
Tri hidravlične linije (P, T1, T) povezujejo OPEN CENTER proporcionalni ventil s hidravličnim sistemom traktorja:
- P – tlačna linija
- T – povratna linija (rezervoar)
- T1 – posredovanje tlaka (Power Beyond – "PB") + povratni ventil z vzmetjo 8 bar

Ventil priključite, kot je prikazano zgoraj:
- Prepričajte se, da je napetost 12 V.
- Preverite, ali ste napajalni kabel priklopili pravilno.
- Sistem mora vključevati verižni kabel (chain cable) in 120-ohmski upornik.
- Po priklopu krmilne ročice (joysticka) preverite, da LED-lučke ACAS svetijo zeleno.
- Preverite, da so vsi kabli trdno in pravilno priključeni.

- MODRA tipka: 6/2 smerni ventil (momentni gumb)
- RDEČA tipka: plavajoča funkcija (zaskočni gumb)
- ZELENA tipka: počasno/hitro (zaskočni gumb)
Plavajoča funkcija: Premaknite krmilno ročico (joystick) v smer B1 (spuščanje). Medtem ko je ročica v položaju B1, pritisnite gumb za plavajočo funkcijo (FLOAT), da aktivirate plavajoči način. Pozor - tega ne izvajajte, kadar je nakladalnik dvignjen previsoko.









