Novi artikli
PODNOŽJE CETOP NG10-1-RV
Šifra:
14747
OEM:
9990000178766
Stopnja davka
22 %
Cena brez DDV:
73,77 EUR
Cena z DDV:
90,00 EUR
Ref:
5
Opis
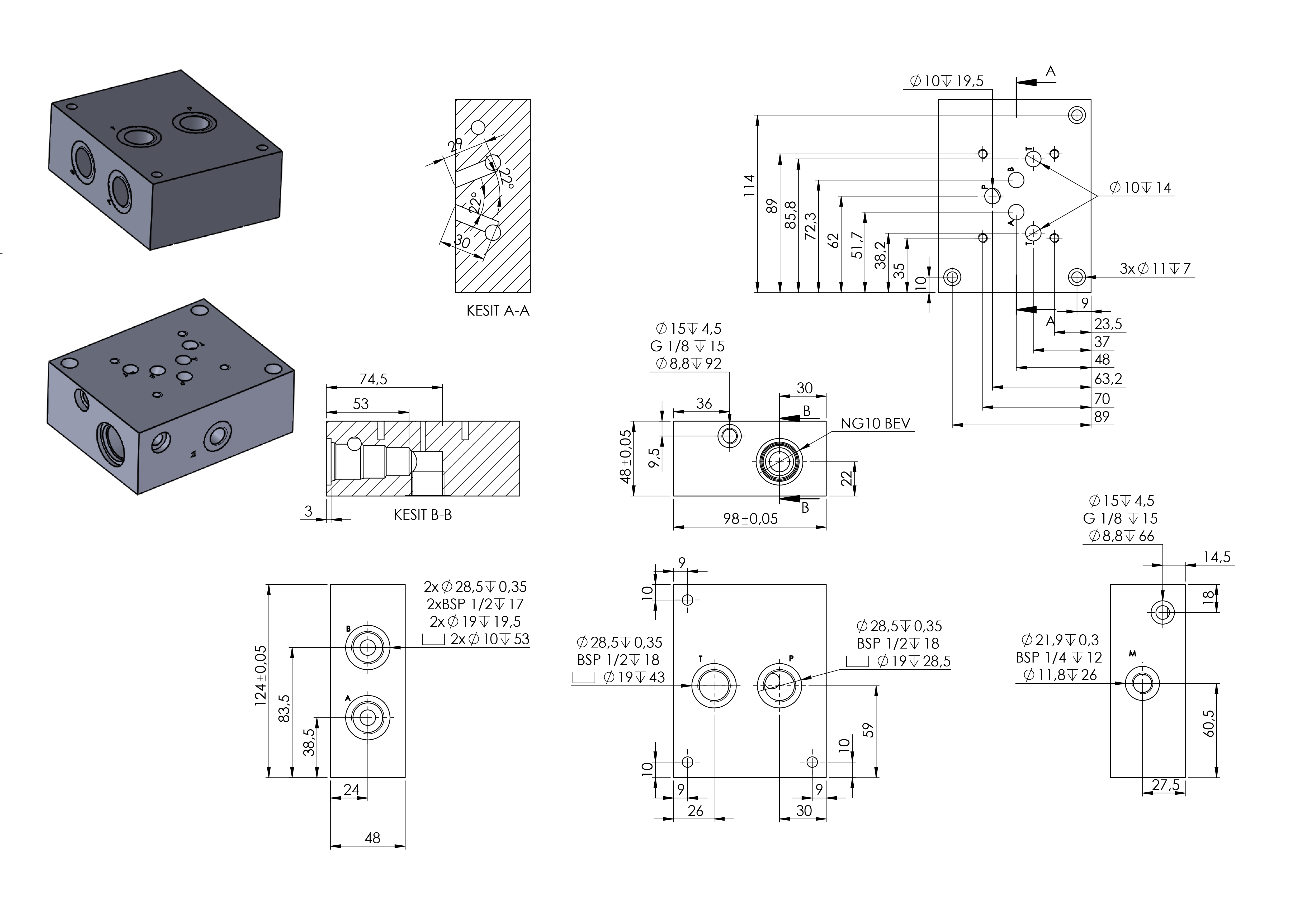
CETOP podnožje NG10-1 je standardizirana montažna plošča, namenjena za vgradnjo hidravličnih ventilov velikosti NG10 (CETOP 5) v skladu s standardom ISO 4401-05. Omogoča enostavno, hitro in zanesljivo povezavo ventila s hidravličnim sistemom.
CETOP podnožje NG10-RV je nadgrajena izvedba standardnega NG10 (CETOP 5 / ISO 4401-05) podnožja, ki ima vgrajen varnostni ventil. Namenjeno je zaščiti hidravličnega sistema pred previsokim tlakom ter zagotavlja varno in zanesljivo delovanje.
Vgrajen varnostni ventil omogoča omejevanje tlaka neposredno na podnožju, kar pomeni manj dodatnih komponent v sistemu, enostavnejšo montažo in bolj kompaktno izvedbo.
Dimenzije

Dobavitelj:
Turčija
Tip:
NG10-1-RV
Vračilo ali menjava:
14 dni
Garancija:
6 mesecev
Tlak:
max. 250 bar
Material:
Aluminij
Pretok:
max. 80 l/min








