Novi artikli
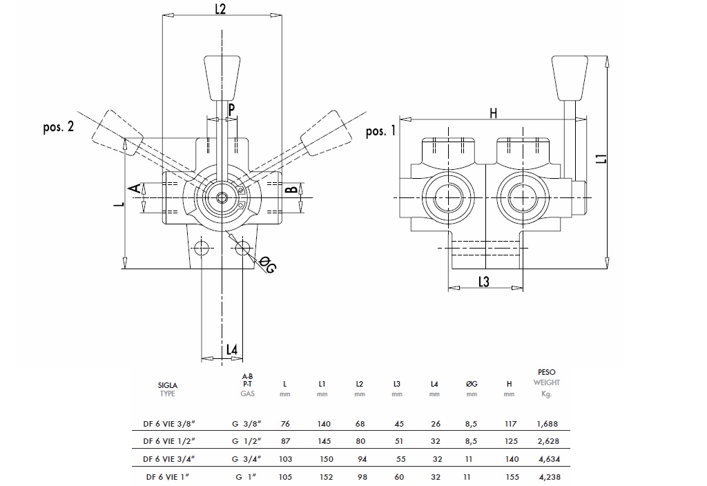
ROČNI 6 POTNI VENTIL DF 3/8 - 35lit
Šifra:
10337
OEM:
9990000002726
Stopnja davka
22 %
Cena brez DDV:
45,90 EUR
Cena z DDV:
56,00 EUR
Ref:
10
Uporaba:
Ventil se uporablja kot dvojni tropotni ventil. Pretok olja ki preide v ventil skozi dva dvojna vhoda, se preusmeri na dva dvojna izhoda. Ena krmilna ročica krmili oba sklopa hkrati.
Material:
Ohišje: litželezno, notranjst trdokovinska
Tesnilo: Buna N standard
Priklop:
Priključite »P« ter »P'« na obe tlačni strani. Povežite »A« ter »B« na prvi aktuator/cilinder in »A'« ter »B'« na drugi aktuator/cilinder. Ko je ročica v položaju 1, je »P« povezan z »A« in »P'« z »A'«. Ko je ročica v položaju 2, je »P« povezan z »B« ter »P'« z »B'«. Ko je ročica v sredinski poziciji, so vsi porti povezani med seboj (opened center).
Dobavitelj:
Italija
Maksimalni tlak:
250 bar
Vračilo ali menjava:
14 dni
Teža izdelka:
1,688 kg
Garancija:
6 mesecev
Max. pretok:
35 l/min






