Novi artikli
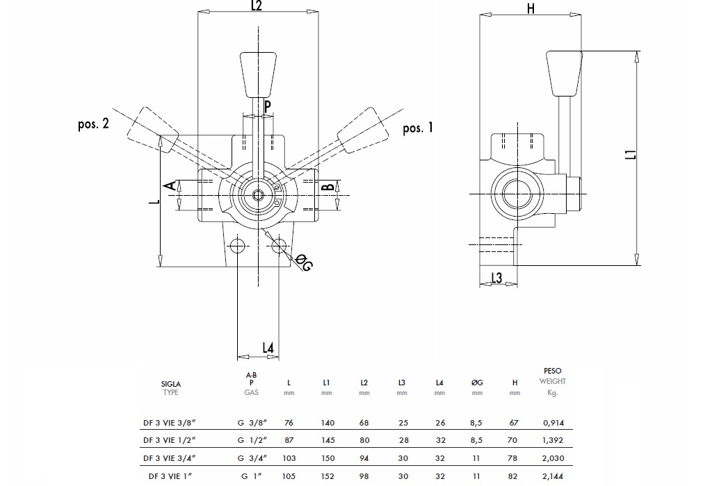
ROČNI 3 POTNI VENTIL DF 3/8 - 35lit
Šifra:
10223
OEM:
9990000001583
Stopnja davka
22 %
Cena brez DDV:
19,67 EUR
Cena z DDV:
24,00 EUR
Ref:
23
Uporaba:
Ventil se uporablja kot tropotni ventil. Pretok olja se razdeli v dva izhoda.
Material:
Ohišje: litželezno, notranjst trdokovinska
Tesnilo: Buna N standard
Priklop:
Priključite »P« na tlačno stran ter »A« in »B« na porte, kamor želimo pretok olja razdeliti. Ko je ročica v poziciji »1«, je pretok vezan na proti portu »A«, z ročico v položaju »2« je pa pretok vezan na port »B«. Ko je ročica v sredinskem položaju, so porti »P«, »A«, »B« povezani ter (opened center).
Dobavitelj:
Italija
Maksimalni tlak:
250 bar
Vračilo ali menjava:
14 dni
Teža izdelka:
1,3 kg
Garancija:
6 mesecev
Max. pretok:
35 l/min






