Novi artikli
ROČNI 3 POTNI VENTIL DF 1 - 180lit
Šifra:
11331
OEM:
9990000018246
Stopnja davka
22 %
Cena brez DDV:
56,56 EUR
Cena z DDV:
69,00 EUR
Ref:
1
Uporaba:
Ventil se uporablja kot tropotni ventil. Pretok olja se razdeli v dva izhoda.
Material:
Ohišje: litželezno, notranjst trdokovinska
Tesnilo: Buna N standard
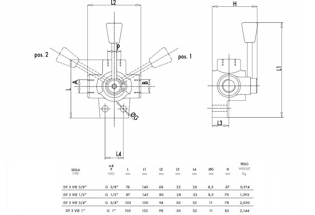
Priklop:
Priključite »P« na tlačno stran ter »A« in »B« na porte, kamor želimo pretok olja razdeliti. Ko je ročica v poziciji »1«, je pretok vezan na proti portu »A«, z ročico v položaju »2« je pa pretok vezan na port »B«. Ko je ročica v sredinskem položaju, so porti »P«, »A«, »B« povezani ter (opened center).
Dobavitelj:
Italija
Maksimalni tlak:
250 bar
Vračilo ali menjava:
14 dni
Teža izdelka:
2,144 kg
Garancija:
6 mesecev
Max. pretok:
180 l/min






