Novi artikli
POLŽASTI VRTLJIVI POGON SERIJE WE HP WE25-104-BH-R



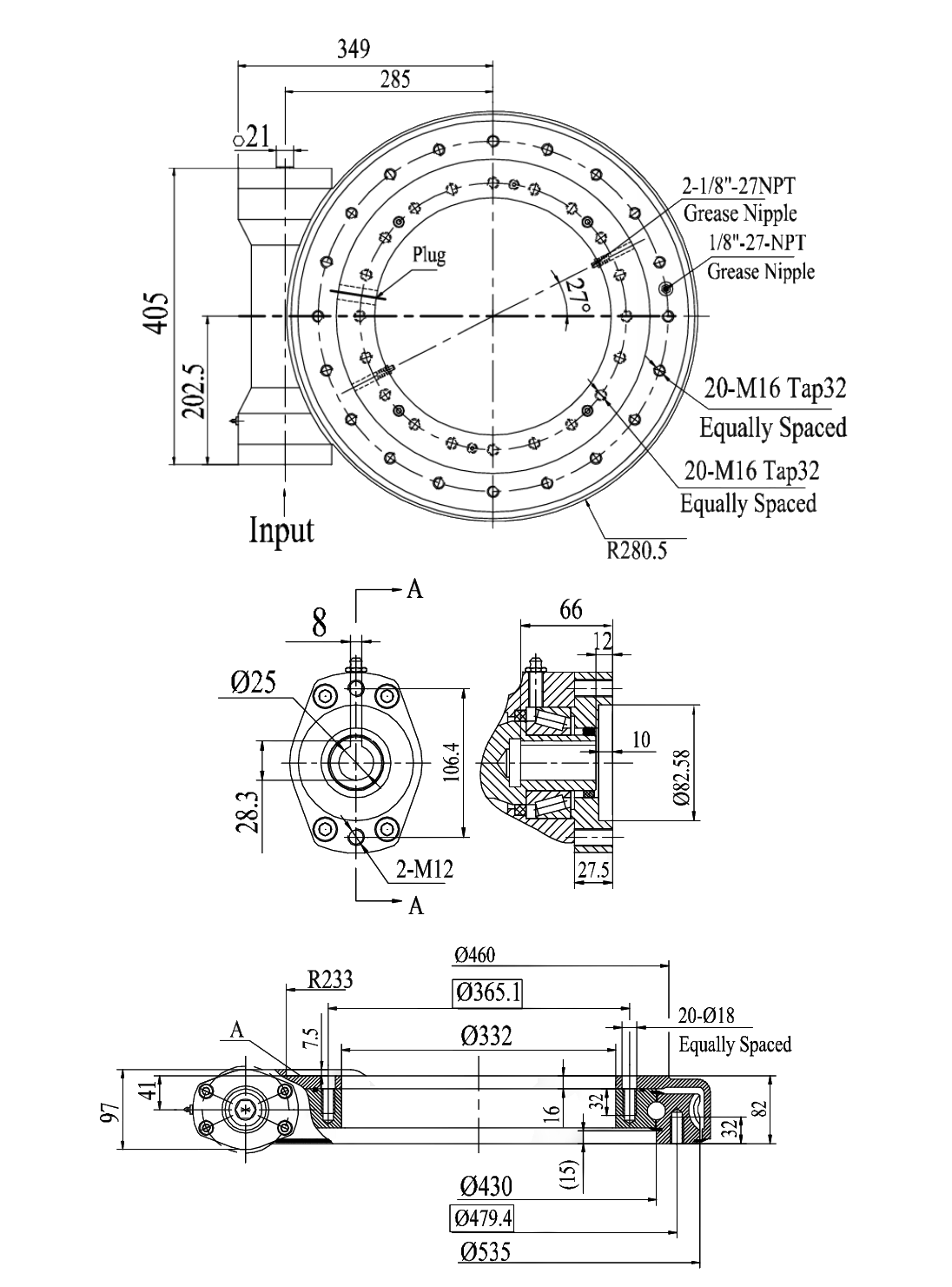
Opis:
Vrtljivi pogon je za vgradnjo pripravljena enota, ki obsega kroglični ali valjčni vrtljivi obroč za ravnanje s sočasnimi aksialnimi in radialnimi ter nagibnimi momenti, hidravlični motorni izdelek z zaprtim ohišjem. Med delovanjem pogon pretvori aksialno gibanje (sila, ki deluje na os) v radialni/rotacijski navor, kar omogoča vrtenje večjih obremenitev z večjo natančnostjo, hkrati pa omogoča ojačitev navora z zobnikom.
Vrtljivi polžasti pogon je primeren za opremo vrtenja z visokim navorom z neprekinjenim ali cikličnim gibanjem, ki je sposobna prenašati kombinirane tovore. Vrtljivi pogon se lahko uporabi za glavni stroj, ki izvaja krožno gibanje, kot je obračalna miza žerjava, vrtljivi stroji, rotatorji viličarjev in nekateri stroji, ki opravljajo krožno delo.








