Novi artikli
KOMPLET REDUKTORJEV 1:1,44 (27HP-20kW) ZA TROSILNIK L:800 LITOŽELEZNI Z VARNOSTNIM SISTEMOM
Šifra:
13925
OEM:
9990000153312
Stopnja davka
22 %
Cena brez DDV:
367,21 EUR
Cena z DDV:
448,00 EUR
Ref:
6

Informativen izračun ob nakupu na obroke
polog0,00 EUR
3 × 163,44 EUR
polog0,00 EUR
6 × 82,53 EUR
polog0,00 EUR
12 × 42,09 EUR
polog0,00 EUR
24 × 21,88 EUR
polog0,00 EUR
36 × 15,16 EUR
polog0,00 EUR
48 × 11,81 EUR
Opis:
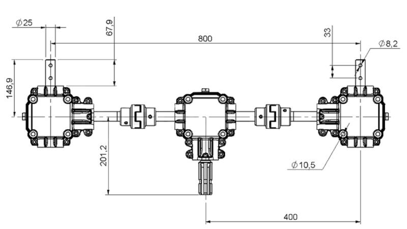
Komplet litoželeznih reduktorjev za trosilnik dolžine 800 mm z varnostnim elementom.
Dobavitelj:
Poljska
Vračilo ali menjava:
14 dni
Teža izdelka:
17 kg
Vhodni vrtljaji:
540 vrt/min
Izhodni vrtljaji:
777 vrt/min
Garancija:
6 mesecev
Obremenitev:
27 HP (20 kW)
izhodna osovina:
2x gred 25mm
Razmerje prenosa:
1 : 1,44
Material:
lito železo
mazalno sredstvo:
0,75 l maziva za menjalnike (EP90)
Izhodni navor:
240 Nm








