Novi artikli
HIDROMOTOR MSU 125
Šifra:
100474
OEM:
9990000064731
Stopnja davka
22 %
Cena brez DDV:
233,61 EUR
Cena z DDV:
285,00 EUR
Ref:
3

Informativen izračun ob nakupu na obroke
polog0,00 EUR
3 × 103,54 EUR
polog0,00 EUR
6 × 52,35 EUR
polog0,00 EUR
12 × 26,76 EUR
polog0,00 EUR
24 × 13,98 EUR

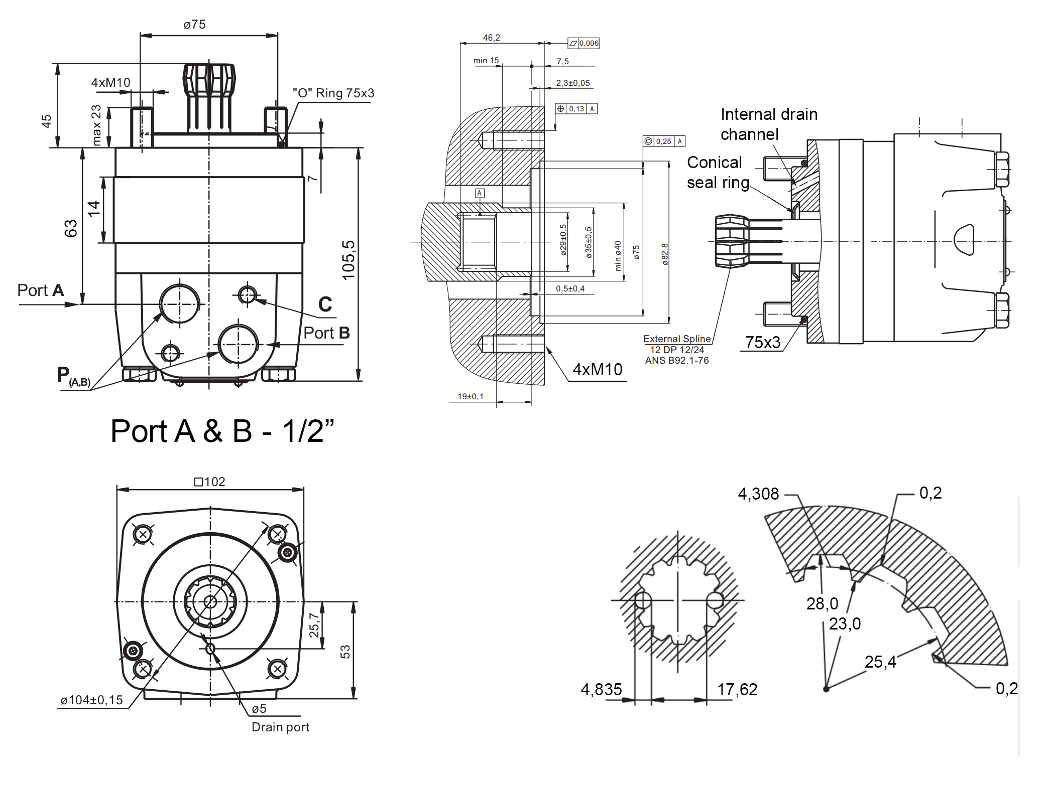
DIAGRAM "MSU 125"
Dobavitelj:
Turčija
Pretok olja:
konstantni 75 L/min, max. 90 L/min
število zob:
12
Vračilo ali menjava:
14 dni
Navor:
konstantni 32 Nm, s prekinitvami 38 Nm, max. 40 Nm
cm/vrtljaji:
125,7
Priključek:
1/2"
Vrtljaji:
konstantni 600 rpm, s prekinitvami 720 rpm
Teža izdelka:
6,4 kg
Garancija:
6 mesecev
Tlak:
konstantni 175 bar, s prekinitvami 210 bar, max. 225 bar






