Novi artikli
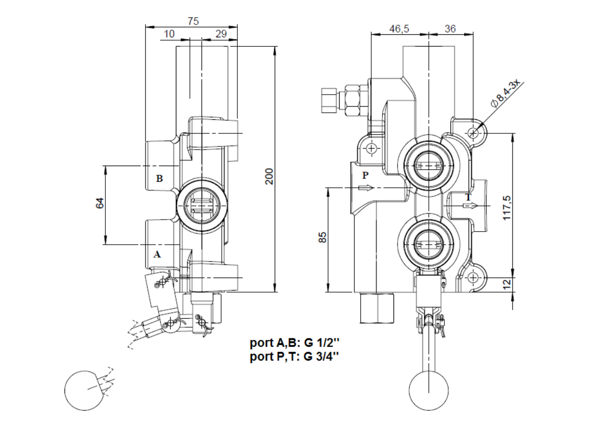
HIDRAVLIČNI VENTIL P81 AVTOMATSKI ZA CEPILEC
Opis
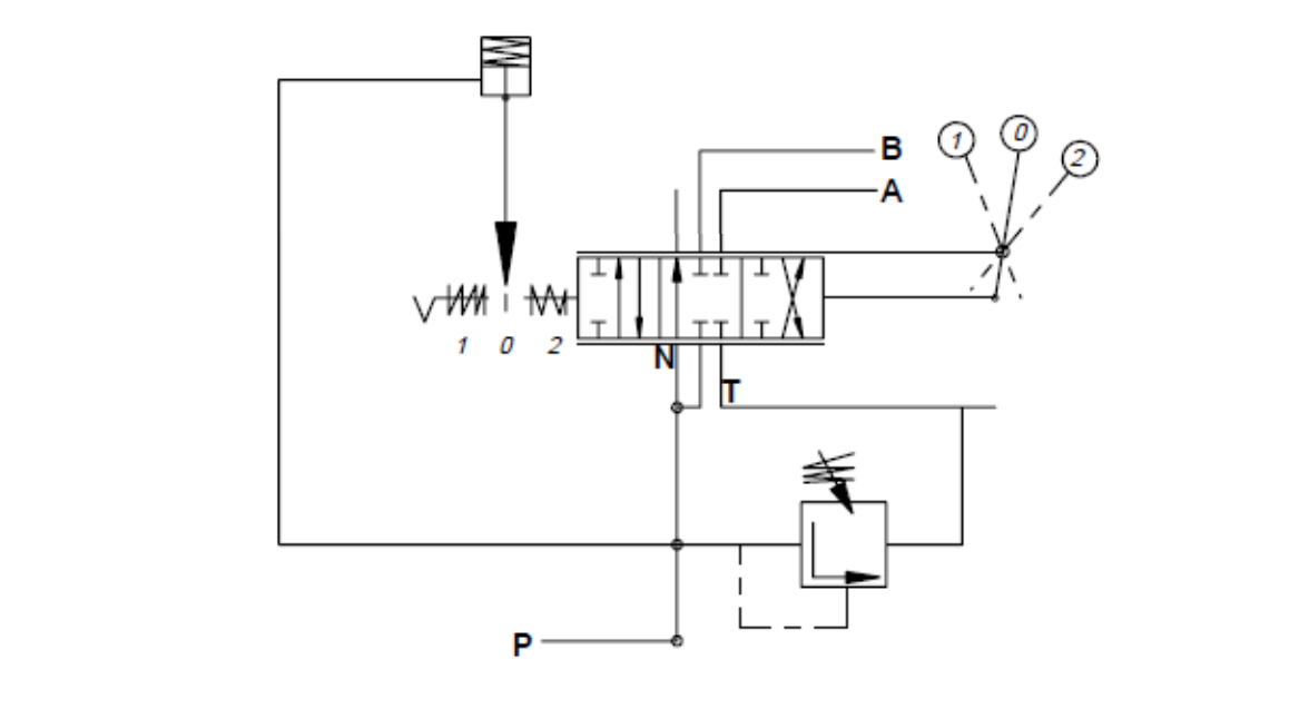
P81 hidravlični ventil je zasnovan za uporabo na cepilcih za drva. Omogoča vzmetno delovanje v eno smer in tlačni izključni sistem v drugo smer, ki avtomatično vrne ročico v nevtralno pozicijo. Ventil P81 vključuje tudi ročno nastavljiv varnostni ventil.
Tlačni izključitveni pin
Tlačni izključitveni sistem omogoča izmet oziroma povrnitev ročice v nevtralno pozicijo. Ko se vreteno ročno pomakne v tlačni izključitveni sistem je olje preusmerjeno v "B" sekcijo. Ko tlak v “B” sekciji preseže nastavljeno vrednost, tlačni izključitveni pin sprosti krmilno ročico in jo vrne v nevtralno pozicijo. Tovarniška nastavitev za izključitev je 70 bar.
OPOZORILO: Če je tlačni izključitveni pin nastavljen na previsok tlak ročice ne bo izključilo v nevtralno pozicijo, če pa je tlak nastavljen na prenizek tlak, tlačni izključitveni pin ročice ne bo zadržal v poziciji pripravljeni za izklop.
Nastavljiv razbremenilni varnostni ventil - standardna tovarniška nastavitev razbremenilnega varnostnega ventila je 150 bar.
Ročica ventila se lahko obrne "gor" ali "dol" odvisno od načina montaže na stroj. To se izvede enostavno s sukanjem ročice za 180°. Vsi zatiči so varnostno zaklenjeni z uporabo razcepke DIN94.












