Novi artikli
HIDRAVLIČNA ČRPALKA 30C50X241 FRONT GR.3 50 CC DESNA
Šifra:
11295
OEM:
9990000017614
Stopnja davka
22 %
Cena brez DDV:
204,10 EUR
Cena z DDV:
249,00 EUR
Ref:
1

Informativen izračun ob nakupu na obroke
polog0,00 EUR
3 × 83,00 EUR
polog0,00 EUR
6 × 45,87 EUR
polog0,00 EUR
12 × 23,39 EUR
polog0,00 EUR
24 × 12,16 EUR

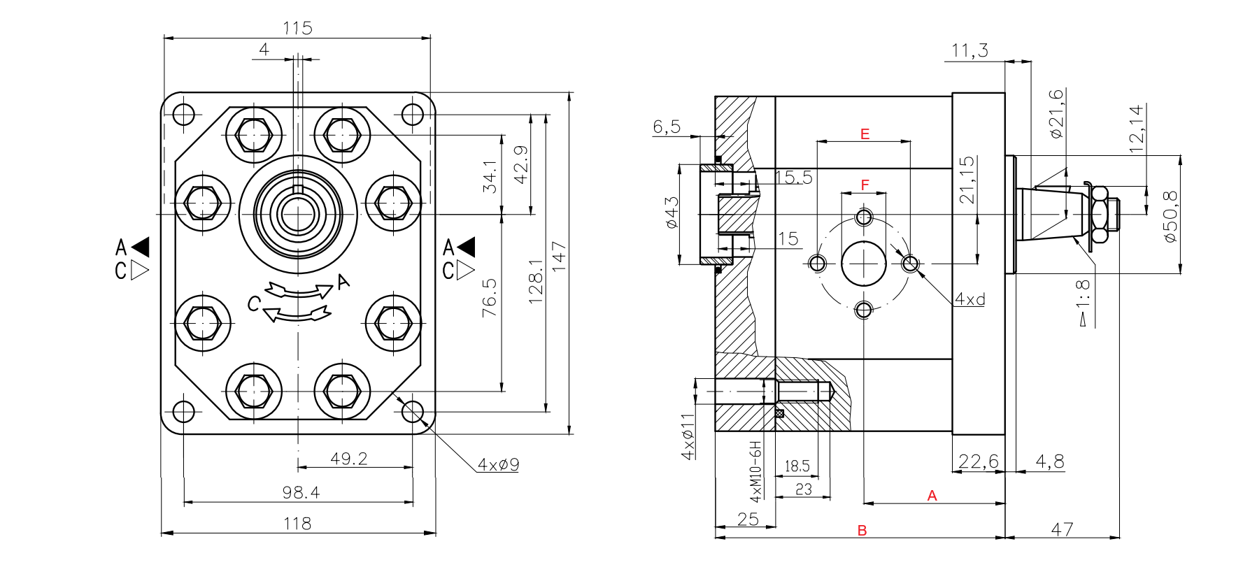
|
|
|
Sesalna prirobnica |
Tlačna prirobnica |
|||||
|
Volumen |
A (mm) |
B (mm) |
E (mm) |
F (mm) |
d |
E (mm) |
F (mm) |
d |
|
36 cc |
68 |
138,5 |
51 |
27 |
M10 |
40 |
19 |
M8 |
|
42 cc |
70,8 |
144 |
||||||
|
46 cc |
72,7 |
147,8 |
||||||
|
50 cc |
74,5 |
151,4 |
||||||
Smer vrtenja:
desna
Vračilo ali menjava:
ni možno
Max. vrtljaji:
2100 vrt/min
pretok pri 1500 vrt/min:
71,3 lit/min
pretok pri max. vrtljajih:
99,8 lit/min
Pretok:
50 cc
max. konstantni tlak:
200 bar











