Produits nouveaux
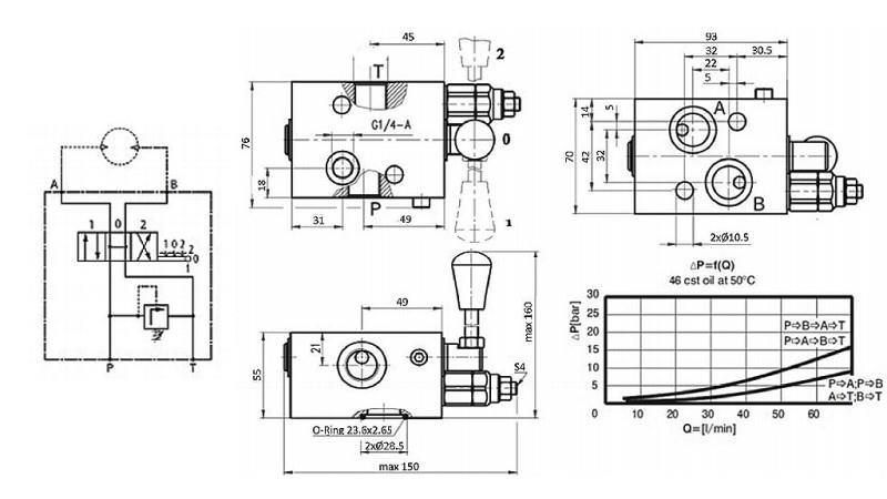
VANNE MANUELLE POUR MOTEUR HYDRAULIQUE MS CENTRE OUVERT - 50LIT
Description:
La vanne manuelle est montée directement sur le moteur hydraulique et sert à le contrôler directement sur le moteur hydraulique.
Le levier de la vanne permet de l'allumer et de l'éteindre ainsi que de changer la direction de rotation du moteur hydraulique.
Vanne 'CENTRE OUVERT'- En position neutre, le moteur hydraulique n'est pas tourné. Il n'est pas entraîné hydrauliquement, mais l'arbre du moteur hydraulique peut tourner avec sa propre inertie ou l'inertie de la charge.
Elle est le plus souvent utilisée dans des applications où nous voulons que l'entraînement s'arrête avec l'inertie de la charge ou avoir la possibilité d'auto-rotation de l'entraînement - moteur hydraulique.
Vanne 'CENTRE FERMÉ'- En position neutre, le moteur hydraulique est tourné, ce qui signifie que l'inertie de la charge ne peut pas le faire tourner non plus.
Elle est le plus souvent utilisée dans des applications où nous voulons que l'entraînement s'arrête immédiatement et reste stationnaire après que l'entraînement - moteur hydraulique soit éteint.






