Produits nouveaux
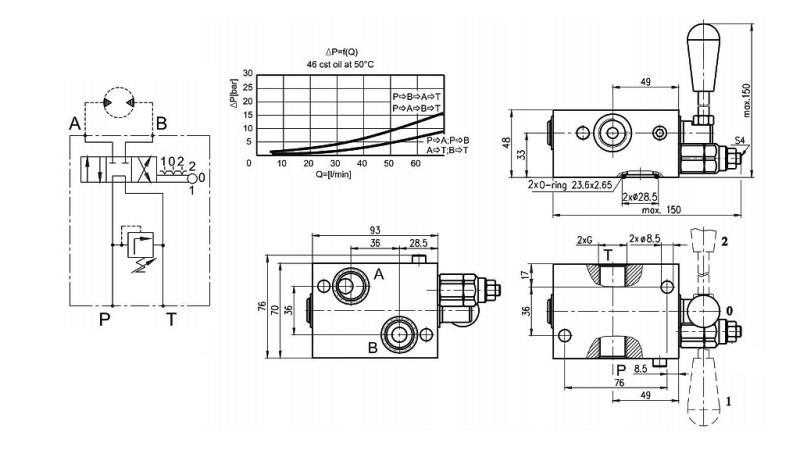
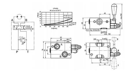
VANNE MANUELLE POUR MOTEUR HYDRAULIQUE MP-MR-MH A CENTRE FERME – 50 L/MIN
Opis:
La vanne manuelle est montée directement sur le moteur hydraulique et est utilisée pour le contrôler directement sur le moteur hydraulique.
Le levier de la vanne permet l'activation et la désactivation ainsi que le changement de direction de rotation du moteur hydraulique.
Vanne 'CENTRE OUVERT'- En position neutre, le moteur hydraulique n'est pas en rotation. Sinon, il n'est pas entraîné hydrauliquement, mais l'arbre du moteur hydraulique peut tourner avec sa propre inertie ou l'inertie de la charge.
Elle est le plus souvent utilisée dans des applications où nous voulons que l'entraînement s'arrête avec l'inertie de la charge ou avoir la possibilité de rotation autonome de l'entraînement - moteur hydraulique.
Vanne 'CENTRE FERMÉ'- En position neutre, le moteur hydraulique est en rotation, ce qui signifie que l'inertie de la charge ne peut pas le faire tourner.
Elle est le plus souvent utilisée dans des applications où nous voulons que l'entraînement s'arrête immédiatement et reste immobile après que l'entraînement - moteur hydraulique soit éteint.







