Produits nouveaux
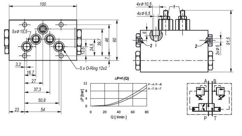
INVERSEUR AUTOMATIQUE HYDRAULIQUE CETOP5 POUR EPANDEURS A FUMIER - DETECTION PRESSION- 4/2 RHA- 50 A 200 BAR- 5 A 80 L/MIN
code
13533
OEM:
9990000095773
taux d’imposition
22 %
prix sans TVA
139,34 EUR
prix avec TVA
170,00 EUR
Ref:
11
Description:
Vanne hydraulique rotative pour transporteur de fumier - KRT. Convient pour base CETOP5.
Fournisseur:
Italie
Retour ou échange :
14 jours
Poids du produit :
2,50 kg
Garantie:
6 mois
Filtration :
25µ
pression réglable max :
50 - 200 bar
débit max. réglable :
5 - 80 l/min






