Produits nouveaux
DISTRIBUTEUR FENDEUSE DE BUCHE AUTOMATIQUE A DOUBLE VITESSE -P81 RS
code
10707
OEM:
9990000006281
taux d’imposition
22 %
prix sans TVA
81,97 EUR
prix avec TVA
100,00 EUR
Ref:
196
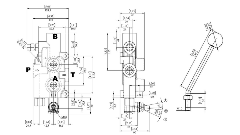
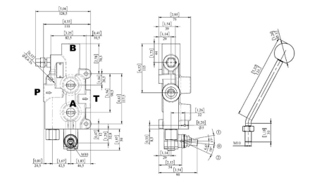
| Informations techniques | |
| Fournisseur : | Bulgarie |
| Retour ou échange : | 14 jours |
| Garantie : | 6 mois |
| Débit nominal d'huile : | 80 l/min |
| Course de la broche : | ± 7,9 mm |
| Plage de température de fonctionnement : | de −40 °C à +60 °C |
| Filetage de connexion : | Prise P et T – 3/4", prises A et B – 1/2" |
| Pression max. : | Prise P – 250 bar, prise T – 50 bar, prises A et B – 300 bar |
| Soupape de sécurité : | réglée en usine à 150 bar |
Description
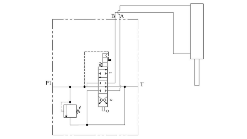
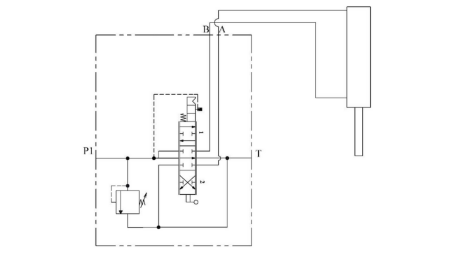
Le P81-RS est une valve hydraulique compacte et robuste à deux vitesses conçue pour les fendeuses de bois. Elle permet un débit allant jusqu'à 80 l/min et est équipée d'une soupape de sécurité de décharge de pression.
La valve dispose d'une fonction de décharge automatique de pression. Une fois la pression réglée atteinte (réglage d'usine à 150 bar), elle ramène automatiquement le levier en position neutre.













