Produits nouveaux
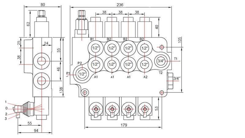
MANUEL DISTRIBUTEUR HYDRAULIQUE MONOBLOC 4xZ80
Description générale :
La vanne hydraulique manuelle ou mécanique Р80 est conçue pour la distribution et le contrôle du flux de travail entre la pompe hydraulique et les consommateurs (cylindres, moteurs hydrauliques…).
Les vannes hydrauliques sont utilisées à diverses fins dans l'agriculture, l'industrie, la construction, etc. pour contrôler :
- cylindres à simple effet
- cylindres à double effet
- moteurs hydrauliques
- fonctions flottantes (pour charrue)
- joysticks (haut-bas, gauche-droite)
Elles sont assemblées dans un bloc de 1 à 6 leviers.
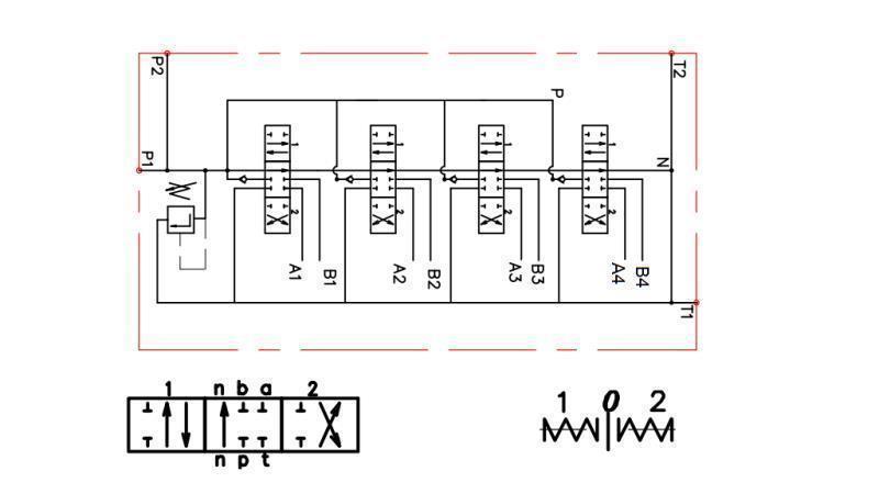
Fonctionnement :
Toutes les vannes hydrauliques sont équipées d'une vanne de sécurité. En position neutre (levier au milieu), l'huile circule à travers la vanne. Lorsque le levier est déplacé d'un côté ou de l'autre, la vanne hydraulique provoque le mouvement du cylindre ou la rotation du moteur hydraulique dans un sens ou dans l'autre. Après avoir relâché le levier, il revient automatiquement à la position neutre, le moteur hydraulique ou le cylindre s'arrête dans la position actuelle, et l'huile circule à nouveau à travers la vanne. Il est possible d'utiliser un élément dit 'centre fermé', qui modifie la vanne de sorte qu'en position neutre, l'huile ne circule pas à travers la vanne ou qu'une telle vanne ne soit plus en circulation. Lors de l'utilisation ou de la connexion d'autres vannes, il est nécessaire d'utiliser l'élément 'carry over', qui permet l'alimentation en huile pour d'autres vannes.
Pour les vannes avec des broches pour la fonction flottante, cela permet au cylindre un flux libre d'huile, ce qui signifie par conséquent que le cylindre se déplace librement (ou que le chasse-neige s'adapte au terrain).
Les vannes avec des broches pour les cylindres à simple effet sont destinées aux cylindres à simple effet.
Construction :
Р80 est une vanne de distribution monobloc. Elle est fabriquée en fonte EN-GJL300. Les broches sont en acier au carbone et sont chromées dur.
Connexions :
La broche est vissée avec deux vis M8.
.







