Produits nouveaux
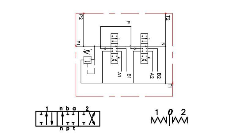
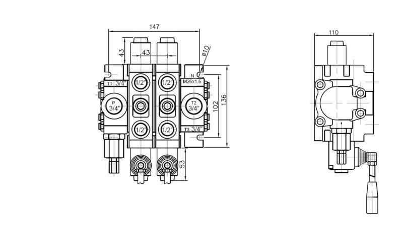
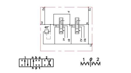
MANUEL DISTRIBUTEUR HYDRAULIQUE SECTIONNEL 2xPC70
code
12157
OEM:
9990000065516
taux d’imposition
22 %
prix sans TVA
163,93 EUR
prix avec TVA
200,00 EUR
Ref:
0
Fournisseur:
Bulgarie
pression maximale connexion "T":
50 bar
Retour ou échange :
14 jours
Poids du produit :
10,20 kg
Débit nominal :
70 l/min
Garantie:
6 mois
température de fonctionnement :
-40 à +60°C
pression maximale connexion "P":
250 bar
température de fonctionnement de l'huile:
-15 à +80°C
valve de sécurité réglée en usine :
180 bar
plage de réglage de la soupape de sécurité:
50-250 bar
pression maximale connexion "A" et "B":
300 bar







