Produits nouveaux
MANUEL DISTRIBUTEUR HYDRAULIQUE MONOBLOC 1xZ80 + POSITION FLOTTANTE
Description générale :
La vanne hydraulique manuelle ou mécanique Р80 est conçue pour la distribution et le contrôle du flux de travail entre la pompe hydraulique et les consommateurs (vérins, moteurs hydrauliques…).
Les vannes hydrauliques sont utilisées à diverses fins dans l'agriculture, l'industrie, la construction, etc. pour contrôler :
- vérins unidirectionnels
- vérins bidirectionnels
- moteurs hydrauliques
- fonctions flottantes (pour charrue)
- joysticks (haut-bas, gauche-droite)
Ils sont assemblés en un bloc de 1 à 6 leviers.
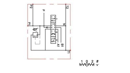
Fonctionnement :
Toutes les vannes hydrauliques sont équipées d'une vanne de sécurité. En position neutre (levier au milieu), l'huile circule à travers la vanne. Lorsque le levier est déplacé d'un côté ou de l'autre, la vanne hydraulique provoque le mouvement du vérin ou la rotation du moteur hydraulique dans un sens ou dans l'autre. Après avoir relâché le levier, il revient automatiquement à la position neutre, le moteur hydraulique ou le vérin s'arrête dans la position actuelle, et l'huile circule à nouveau à travers la vanne. L'utilisation d'un élément dit 'centre fermé' est possible, ce qui modifie la vanne de sorte qu'en position neutre, l'huile ne circule pas à travers la vanne ou qu'une telle vanne ne soit plus en circulation. Lors de l'utilisation ou de la connexion d'autres vannes, il est nécessaire d'utiliser l'élément 'carry over', qui permet l'alimentation en huile pour d'autres vannes.
Dans les vannes avec des broches pour la fonction flottante, cela permet au vérin un flux libre d'huile, ce qui signifie par conséquent que le vérin se déplace librement (ou que la charrue à neige s'adapte au terrain).
Les vannes avec des broches pour vérin unidirectionnel sont destinées aux vérins unidirectionnels.
Construction :
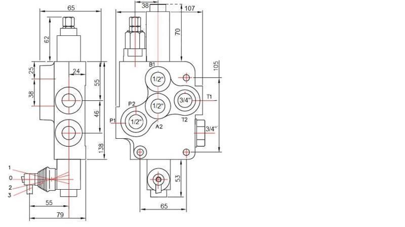
Р80 est une vanne de distribution monobloc. Elle est fabriquée en fonte EN-GJL300. Les broches sont en acier au carbone et sont chromées dur.
Connexions :
La broche est vissée avec deux vis M8.







