Produits nouveaux
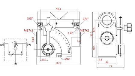
REGULATEUR DE DEBIT HYDRAULIQUE AVEC GRADUTAION (RGELABLE) ET AVEC SOUPAPE DE SURPRESSION (VALVE SECURITE) -3/8" -DE 0 A 30L/MIN--0 A 200 BAR
code
13097
OEM:
9990000087495
taux d’imposition
22 %
prix sans TVA
102,46 EUR
prix avec TVA
125,00 EUR
Ref:
2
Description :
La vanne de priorité avec échelle et vanne de sécurité est utilisée pour la régulation du débit avec compensation de pression, où le débit change en fonction de la position du levier. La vanne est montée sur une surface plane.
Connexion CF (Débit contrôlé) - Le débit provenant de la connexion CF est compensé par la pression et est proportionnel à la position du levier. Le débit de CF peut être ajusté selon les besoins.
Connexion EX (Débit excessif) - Le débit provenant de la connexion EX est compensé. Si le levier est réglé sur 0, l'ensemble du débit sortira par la connexion EX. La connexion EX doit être acheminée vers le réservoir.
Fournisseur:
Espagne
Retour ou échange :
14 jours
Poids du produit :
3.80 kg
Garantie:
6 mois
pression réglable max :
0-200 bar
débit max. réglable :
0 - 30 l/min
Débit max:
30 l/min
Pression max. :
200 bar









