Produits nouveaux
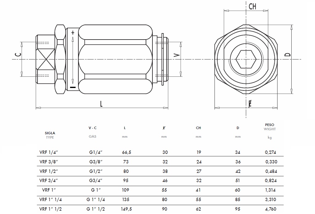
RÉGULATEUR DE DÉBIT DE DURITE VRF - VANNE ANTI-RETOUR À AMORTISSEMENT 1/4 UNIDIRECTIONNEL - 20lit
Utilisation :
La vanne agit comme un régulateur de débit sélecteur dans une direction, tandis que dans la direction inverse, il y a un débit libre d'huile hydraulique. Étant donné que la vanne ne compense pas la pression dans le débit libre, le débit dépend largement de la pression et de la viscosité de l'huile.
Matériau :
Boîtier : métal, galvanisé
Joint : BUNA N standard
Fermeture : type à bille
Connexion :
Connectez V au côté pression et C au côté actionneur (consommateur). Le débit est ainsi régulé de C vers V et libre dans la direction inverse. Lors de l'utilisation de la vanne avec un actionneur qui a déjà une vanne de blocage, la vanne doit être connectée entre l'actionneur et la vanne de blocage. Le débit est régulé en tournant la vanne ; dans le sens des aiguilles d'une montre pour un débit plus important, et dans le sens inverse pour un débit moins important. Une fois le débit souhaité réglé, serrez l'écrou pour éviter que la valeur souhaitée ne dévie en raison de vibrations possibles.







