Produits nouveaux
POMPE HYDRAULIQUE GROUPE 3 51 CM³ – SENS ANTIHORAIRE AVEC BRIDE
code
11039
OEM:
9990000009589
taux d’imposition
22 %
prix sans TVA
127,05 EUR
prix avec TVA
155,00 EUR
Ref:
6

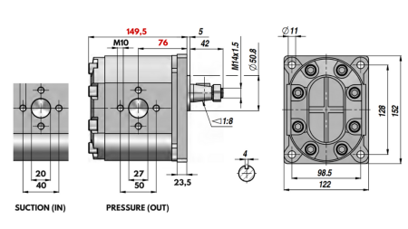
Débit (L/min) | Pression de travail (bar) | Pression max. (bar) | RPM | A (mm) | B (mm) |
34 | 200 | 250 | 3000 | 137 | 69.8 |
39 | 141 | 71.8 | |||
43 | 2800 | 143.5 | 73 | ||
46 | 2400 | 146.5 | 74 | ||
51 | 149.5 | 76 | |||
55 | 152 | 78 |
Fournisseur:
Espagne
Direction de rotation :
gauche
Pression de travail :
200 bar
Retour ou échange :
pas possible
Diamètre du filetage de sortie de pression:
50 mm
Diamètre du filetage d'ouverture d'aspiration:
40 mm
pression max. actuelle :
250 bar
max. RPM:
2400 tr/min
Débit:
51 (L/min)










