Produits nouveaux
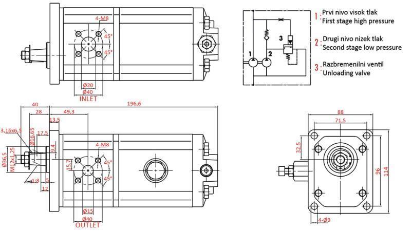
POMPE HYDRAULIQUE GROUPE 2 HI-LO 22C 10/18X815R
code
13675
OEM:
9990000100361
taux d’imposition
22 %
prix sans TVA
254,10 EUR
prix avec TVA
310,00 EUR
Ref:
2
Description:
La pompe hydraulique Hi-Low (Haute-Basse, HL) est utilisée dans des systèmes où une pression élevée et basse est requise pour le fonctionnement. Cela signifie qu'elles sont idéales pour des applications où un mouvement lent est nécessaire sous de lourdes charges et un mouvement plus rapide sous une faible charge. La soupape de décharge s'ouvre à 65 bars.
Fournisseur:
Bulgarie
Retour ou échange :
pas possible
cm/tours :
avant : 10cm3, arrière : 18cm3
Poids du produit :
5,60 kg
Garantie:
6 mois
max. RPM:
3000 tr/min
Pression max. :
avant : 200 bar, arrière : 70 bar










