Produits nouveaux
PMRV-63 BOÎTE DE VITESSE POUR MOTEUR ÉLECTRIQUE MS90 (1.1-1.5KW) RATIO 7.5:1
Description supplémentaire :
| moteur électrique | boîte de vitesses | couple de sortie M2 [Nm] | facteur de sécurité -SF |
|---|---|---|---|
| 1.1kW (MS90) | RV-63 | 49 | 2.6 |
| 1.5kW(MS90) | 67 | 1.9 |
Description :
Les boîtes de vitesses PMRV sont utilisées en combinaison avec des moteurs électriques.
La boîte de vitesses réduit les révolutions du moteur électrique à la valeur avec laquelle nous voulons fonctionner. Les boîtes de vitesses ont différents rapports 7.5:1 - 10:1 - 20:1 - 40:1.
Lors de l'installation de la boîte de vitesses, assurez-vous toujours que :
- les données sur la plaque signalétique correspondent aux données de l'article commandé
- le boîtier et les arbres sont propres et non endommagés
- la surface à laquelle la boîte de vitesses est fixée est plate et suffisamment solide
- la boîte de vitesses et l'arbre du moteur électrique s'adaptent bien
- s'il y a une possibilité de vibrations ou de blocages, un limiteur de couple doit être installé
- les pièces tournantes sont couvertes de capots en plastique
- l'appareil utilisé à l'extérieur doit être correctement protégé contre les intempéries
- les conditions d'exploitation ne provoquent pas de corrosion (sauf accord préalable et que la boîte de vitesses et le moteur électrique soient correctement préparés)
- les engrenages, les pignons d'arbre, les arbres d'entrée/sortie sont correctement sécurisés pour éviter des charges radiales ou axiales qui ne dépassent pas la limite maximale autorisée
- tous les accouplements sont recouverts d'un matériau anticorrosion pour éviter l'oxydation au contact
- toutes les vis de fixation doivent être correctement serrées
Tous les calculs sont basés sur des moteurs électriques avec 1400 révolutions. Si vous utilisez un moteur électrique avec une vitesse différente de 1400 révolutions par minute, divisez les révolutions d'entrée par le rapport de la boîte de vitesses pour obtenir les révolutions de sortie.
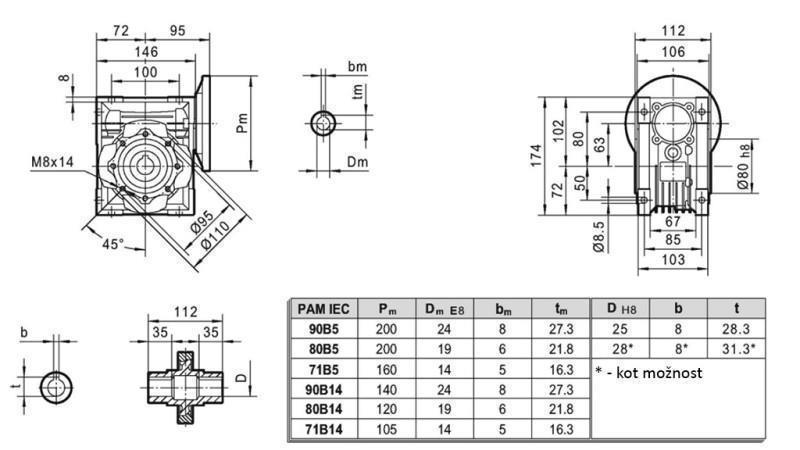
Plus de données techniques peuvent être trouvées dans le document joint 'DIMENSIONS - FICHE TECHNIQUE'.







