Produits nouveaux
MOTEUR HYDRAULIQUE À PISTON 50CC - 280NM
Les moteurs hydrauliques à piston sont utilisés dans divers systèmes hydrauliques pour convertir l'énergie hydraulique en mécanique. Ils sont utilisés dans diverses industries, de la construction (excavatrices, chargeurs, grues) et de l'agriculture (tracteurs et accessoires) à la fabrication et à la marine.
Les moteurs hydrauliques à piston fonctionnent grâce à un fluide hydraulique sous pression qui déplace des pistons à l'intérieur du bloc. Les pistons font alors tourner l'arbre par leur mouvement, permettant ainsi d'effectuer un travail mécanique. Ce mécanisme permet un contrôle précis de la vitesse et du couple, rendant les moteurs hydrauliques à piston adaptés aux applications exigeantes.
Nous proposons une gamme de moteurs hydrauliques à piston de haute qualité conçus pour répondre aux exigences strictes de l'industrie moderne et de l'agriculture. Nos moteurs hydrauliques sont performants, fiables et efficaces.
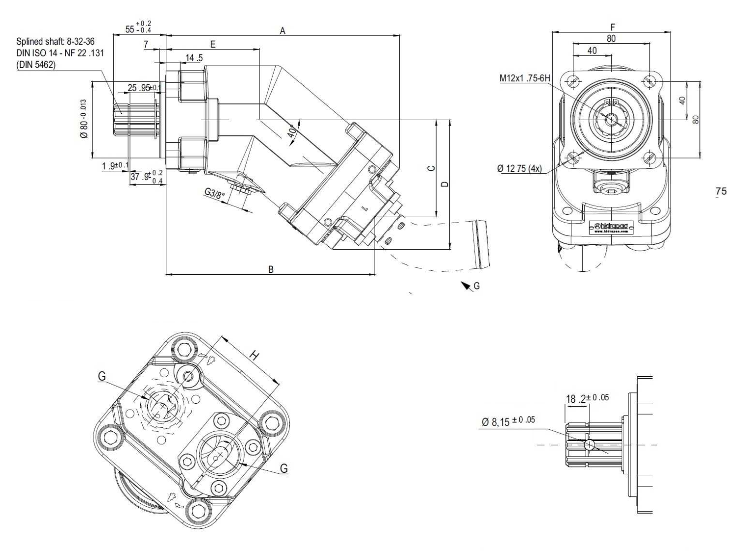
Dimensions :

Code | Débit | R1 = R2 | Couple max. | RPM | A | B | C |
(cm3) | (350 bar) | (rpm) | (mm) | ||||
14196 | 25 | 3/4' | 140 | 6250 | 197 | 107,5 | 54 |
14197 | 32 | 3/4' | 174 | 6250 | 202 | 107,5 | 54 |
14198 | 40 | 3/4' | 228 | 5600 | 202 | 107,5 | 54 |
14199 | 50 | 3/4' | 280 | 5000 | 214 | 107,5 | 54 |
14200 | 63 | 3/4' | 350 | 5000 | 214 | 107,5 | 54 |
14201 | 80 | 3/4' | 440 | 4400 | 240 | 122,5 | 60 |
14202 | 108 | 1' | 600 | 4000 | 240 | 122,5 | 60 |
14203 | 130 | 1' | 710 | 3400 | 240 | 122,5 | 60 |
Pression de travail : 400 bar
Pression max. : 450 bar










