Produits nouveaux
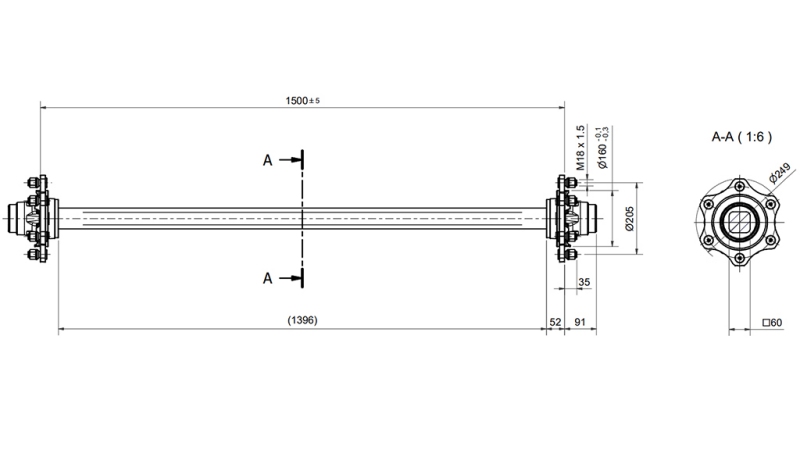
ESSIEU POUR REMORQUE SANS FREINS (6 VIS) - 4800 kg - 1500 mm
code
100408
OEM:
9990000047949
taux d’imposition
22 %
prix sans TVA
196,72 EUR
prix avec TVA
240,00 EUR
Ref:
27
| Informations techniques | |
| Fournisseur |
Italie |
| Retour ou échange |
14 jours |
| Garantie |
6 mois |
| Capacité de charge |
jusqu'à 4800 kg |
| Largeur |
1500 mm |
| Nombre de boulons |
6 |
Description
Le essieu de remorque avec frein est conçu pour une utilisation sûre et fiable sous des charges allant jusqu'à 4800 kg.
Il est disponible avec un moyeu à 6 boulons, permettant l'utilisation de jantes standards appropriées. Grâce à sa construction robuste, il convient aux remorques de transport de marchandises, agricoles et industrielles, ainsi qu'à d'autres solutions de transport où la stabilité et un freinage fiable sont essentiels.
L'essieu est conçu pour une longue durée de vie et une installation facile sur différents types de remorques.
.png)


.jpg)
.jpg)

