Produits nouveaux
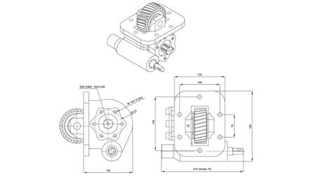
ENTRAÎNEMENT POUR POMPE HYDRAULIQUE - ISUZU HINO MÉCANIQUE
code
12893
OEM:
9990000081264
taux d’imposition
22 %
prix sans TVA
250,00 EUR
prix avec TVA
305,00 EUR
Ref:
1
Description :
Les entraînements sont adaptés aux camions où il est nécessaire d'installer une pompe hydraulique. Il est possible d'installer une pompe en fonte du type :
ISO (pompe pour fixation avec trois (3) vis)
UNI (pompe pour fixation avec quatre (4) vis)
Adapté pour les boîtes de vitesses de type :
33111-2065 / 08 V 0484 / 07 L 108 / LE 05 S / LH 06 S
Adapté pour les véhicules : Isuzu
HINO L 100 / FB 112 SA 11 YO563
Fournisseur:
Turquie
Type:
ISO (3 vis)
Retour ou échange :
14 jours
couple:
182,4 Nm
contrôle:
mécanique
Révolutions :
600 rpm
Poids du produit :
11 kg
Garantie:
6 mois
montage:
gauche
Charge:
15.4 Hp (11.5 kW)
rapport de transmission :
1:1,28






