Produits nouveaux
ENGRENAGE ANGLE T-313J 1:3 (62HP-45.6KW)
code
100566
OEM:
9990000068975
taux d’imposition
22 %
prix sans TVA
331,97 EUR
prix avec TVA
405,00 EUR
Ref:
0
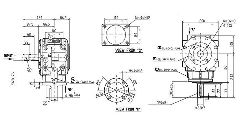
Description :
L'engrenage angle en fonte est un composant intermédiaire entre l'entraînement et la machine de travail, transmettant puissance et vitesse selon les exigences de la machine de travail.
Retour ou échange :
14 jours
rotation du réducteur :
droite
code fabricant :
9.313.875.10
Poids du produit :
27 kg
Garantie:
6 mois
Charge:
62 HP (45.6 kW)
Arbre de sortie :
arbre 33 mm
rapport de transmission :
1:3
type de réducteur :
T-313J (transmission angulaire)
lubrifiant:
il est nécessaire de verser 1,5 litres d'huile SAE 90 dans le réducteur.
arbre d'entrée :
cardan (1”3/8 – 6 dents)


.jpg)

.jpg)
_.jpg)


