Produits nouveaux
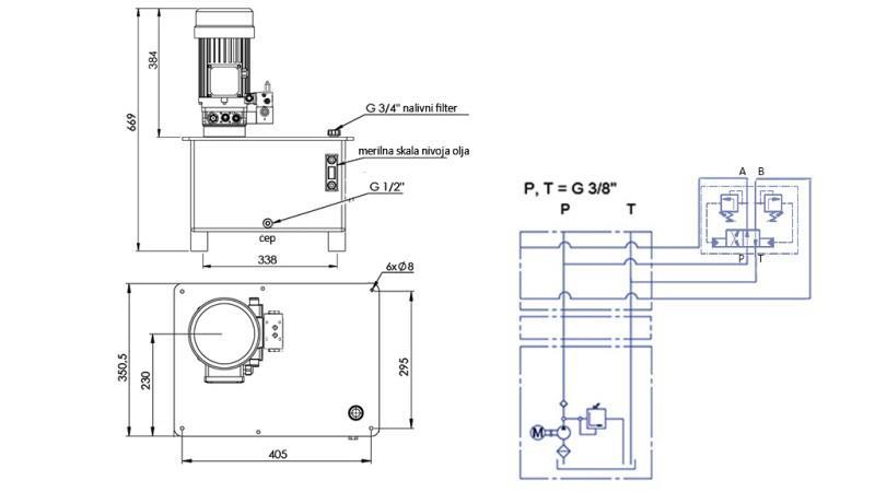
CENTRALE HYDRAULIQUE -RHA- 25lit POUR TRANSPORTEUR DE GRANGE
code
20576
OEM:
9990000048670
taux d’imposition
22 %
prix sans TVA
676,23 EUR
prix avec TVA
825,00 EUR
Ref:
10
Description :
La centrale hydraulique pour le transporteur de grange est une unité autonome qui génère une pression hydraulique à l'aide d'un moteur électrique pour entraîner le transporteur de grange.
Puissance du moteur :
4kW
débit de pompe:
8 cc
débit agrégé :
12 l/min
volume du réservoir :
25 litres
pression de travail max :
120 bar
valve:
RHA - vanne courte
Retour ou échange :
pas possible
Révolutions :
1500 tr/min
Tension:
380V






