Produits nouveaux
BOÎTE DE VITESSES ERC04 POUR MOTEUR ÉLECTRIQUE MS100 (2.2-3-4KW) RATIO 25:1
Description :
Les boîtes de vitesses ERC sont utilisées en combinaison avec des moteurs électriques. Les boîtes de vitesses ERC sont conçues sur la base d'un système modulaire. Nous pouvons connecter différents types de moteurs (classiques, fréquence, frein ...). Elles sont utilisées dans des applications telles que la construction, l'industrie alimentaire (hacheurs de viande...), les courroies d'entraînement (rouleaux, etc.) et plus encore.
La boîte de vitesses réduit les révolutions du moteur électrique à la valeur avec laquelle nous voulons fonctionner. Les boîtes de vitesses ont un rapport de 25:1.
Lors de l'installation de la boîte de vitesses, assurez-vous toujours que :
- les données sur la plaque signalétique correspondent aux données de l'article commandé
- le boîtier et les arbres sont propres et non endommagés
- la surface à laquelle la boîte de vitesses est fixée est plate et suffisamment solide
- la boîte de vitesses et l'arbre du moteur électrique s'adaptent bien
- s'il y a une possibilité de vibrations ou de blocages, un limiteur de couple doit être installé
- les pièces tournantes sont couvertes de capots en plastique
- l'appareil utilisé à l'extérieur doit être correctement protégé contre les intempéries
- les conditions de fonctionnement ne provoquent pas de corrosion (sauf accord préalable et que la boîte de vitesses et le moteur électrique sont correctement préparés)
- les pignons, les pignons d'arbre, les arbres d'entrée/sortie sont correctement sécurisés afin qu'ils ne deviennent pas des charges radiales ou axiales dépassant la limite maximale autorisée
- tous les accouplements sont recouverts d'un matériau anticorrosion pour éviter l'oxydation au contact
- toutes les vis de fixation doivent être correctement serrées
- ne serrez pas les pieds du boîtier et les brides de montage l'un contre l'autre et assurez-vous de respecter la charge radiale et axiale autorisée.
- Avant de commencer, vérifiez le niveau d'huile recommandé pour la position montée. La vis de contrôle et de vidange d'huile et la vanne de ventilation sont facilement accessibles.
- Ne frappez jamais les poulies, les accouplements, les pignons, etc. à l'extrémité de l'arbre avec un marteau. Cela endommagera le roulement, le boîtier et l'arbre
Tous les calculs sont basés sur des moteurs électriques avec 1400 révolutions. Si vous utilisez un moteur électrique avec une vitesse différente de 1400 révolutions par minute, divisez les révolutions d'entrée par le rapport de la boîte de vitesses pour obtenir les révolutions de sortie.
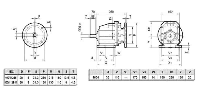
Plus de données techniques peuvent être trouvées dans l'attachement 'DIMENSIONS - FICHE TECHNIQUE'.



%20RAZMERJE%2025proti1.jpg)
%20RAZMERJE%2025proti1.jpg)
%20RAZMERJE%2025proti1.jpg)


