Produits nouveaux
BOÎTE DE VITESSE ANGULAIRE POUR CIRCULAIRE GAUCHE
code
10722
OEM:
9990000006434
taux d’imposition
22 %
prix sans TVA
127,05 EUR
prix avec TVA
155,00 EUR
Ref:
15
Retour ou échange :
14 jours
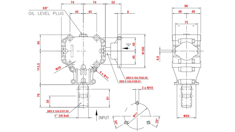
rotation du réducteur :
gauche
code fabricant :
9.124.872.60
Charge:
15 HP (11 kW)
Arbre de sortie :
arbre 25mm avec flasque pour poulie
type de réducteur :
L-25J (transmission angulaire)
lubrifiant:
il est nécessaire de verser 0,4 litres d'huile SAE 90 dans le réducteur.
arbre d'entrée :
cardan (1”3/8 – 6 dents)








