Produits nouveaux
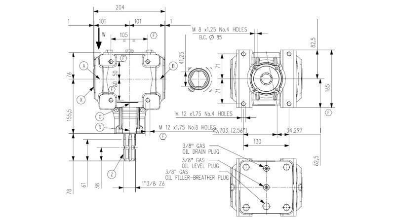
BOÎTE DE VITESSE ANGLE TB-27J 1.46:1 (40HP-29.4KW)
code
100139
OEM:
9990000024704
taux d’imposition
22 %
prix sans TVA
313,11 EUR
prix avec TVA
382,00 EUR
Ref:
2
Retour ou échange :
14 jours
rotation du réducteur :
gauche/droite (selon l'installation du réducteur)
code fabricant :
9.267.872.10
Charge:
40 HP (29.4 kW)
Arbre de sortie :
arbre 30 mm
type de réducteur :
TB-27J (transmission angulaire)
lubrifiant:
huile SAE 90 1.1 litres doit être ajoutée au réducteur.
arbre d'entrée :
cardan (1”3/8 – 6 dents)


.jpg)
.jpg)
.jpg)



