Produits nouveaux
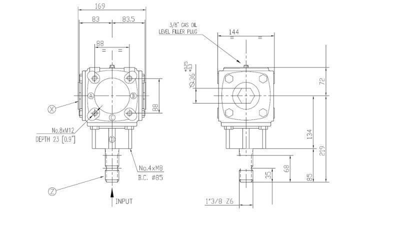
BOÎTE DE VITESSE ANGLE TB-19J 1.46:1 (23HP-16.9KW)
code
100140
OEM:
9990000024728
taux d’imposition
22 %
prix sans TVA
168,03 EUR
prix avec TVA
205,00 EUR
Ref:
24
Retour ou échange :
14 jours
rotation du réducteur :
gauche/droite (selon l'installation du réducteur)
code fabricant :
9.259.871.20
Charge:
23 HP (16.9 kW)
type de réducteur :
TB-19J (transmission angulaire)
lubrifiant:
huile SAE 90 1.0 litres doit être ajoutée au réducteur.
arbre d'entrée :
cardan (1”3/8 – 6 dents)


.jpg)
.jpg)
.jpg)




