Novi artikli
BLOK VENTIL VBPDE 1/2 - 50lit
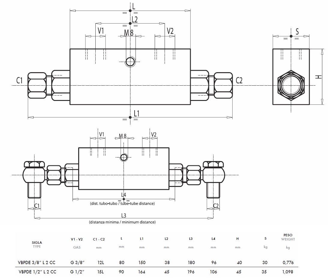
Blok ventil:
Služi za varnost (v primeru poškodbe hidravlične cevi, cilinder ostane na enakem mestu). Blok ventil prav tako služi, da cevi niso pod pritiskom in tako različne sile na cilindru ne obremenjujejo hidravličnega ventila ali hidravličnega sistema.
Uporaba:
Blok ventili se uporabljajo za blokiranje cilindra v obeh smereh delovanja. Pretok se najprej sprosti v eno smer ter se blokira v drugo smer, dokler v drugi smeri ne uporabimo krmilnega tlaka. Funkcija obratno deluje tudi v drugo smer. Blok ventili so enostavni za montažo na obstoječe hidravlične cilindre.
Material:
Železo - pocinkano
Notranjost ventila iz trdokovinskih delov
Tesnila BUNA N standard
Priklop:
Priklopite hidravlični tlačni vod na V1 ter V1. Priklopite C1 ter C2 na aktuator ( hidravlični cilinder ).








